L’injection K-jetronic

1. Présentation

Pourquoi l’injection de carburant ?

D’une manière générale, les systèmes d’injection de carburant procurent un gain d’environ 10% en puissance et une diminution de la consommation dans le même ordre d’idée, et ceci par rapport aux carburateurs, aussi perfectionnés fussent-ils.
Ces gains s’expliquent par la préparation elle-même du mélange :

• le carburant n’est plus vaporisé, mais pulvérisé (diamètre des gouttes de carburant plus petit) : meilleure combustion et augmentation du rendement de cette dernière (car moins d’imbrûlés de type HC et CO, d’ailleurs,

• la valeur de Co corrigé est de 1% sur les Golf GTi série 1, alors qu’elle de 1,5% sur les Golf à carburateur) : augmentation de la puissance effective et diminution de la consommation, ainsi que des émissions polluantes.

• les injecteurs débitant directement à l’entrée des cylindres, sur la chapelle des soupapes d’admission, l’effet de mouillage des parois des conduits d’admission est considérablement diminué, entraînant, là aussi, un gain en consommation et en agrément de conduit (diminution des à-coups et temps de réponses).
meilleure répartition du carburant entre les cylindres (là encore, gain en puissance).

Avant propos

Même si le but de cette présentation n’est pas de retracer l’histoire des systèmes d’injection de carburant essence, citons toutefois celui utilisé sur la Mercedes 300SL de 1956 (ailes papillons), dont le principe était de pulvériser le carburant directement dans la chambre de combustion (principe presque « redécouvert », il y a peu de temps, par des constructeurs Automobiles, comme Renault avec son moteur IDE (Injection Directe Essence), ou Volkswagen, avec son moteur FSI (Fuel Statified Injection), preuve que l’injection de carburant essence n’est pas récente et qu’elle a un bel avenir devant elle !

L’injection K-Jetronic

Apparu au début des années 70, le système d’injection « K-Jetronic » (K pour kontinuierlich = continue), développé et mis au point par la société Bosch, est celui qui équipe les Golf GTI (i pour injection, naturlich mein Herr !) série 1, les toutes premières GTI série 2, les 16 soupapes Oettinger et 16 soupapes série 2 .
D’autres constructeurs ont utilisé l’injection « K », comme :

– Porsche (à partir du 1973),
– Mercedes (à partir de la fin 1972),
– Ferrari (la 308 fera partie des premières applications)
– Renault (R5 turbo et turbo 2, entre autres, dont la particularité était d’avoir une tête hydraulique (doseur distributeur) 6 cylindres, alors que le moteur est un 4 cylindres, car la tête 4 cylindres ne pouvait assumer le débit d’essence demandé dans certaines phases de fonctionnement!)
– Audi (4 et 5 cylindres, avec là aussi une tête hydraulique 6 cylindres pour le moteur 5 cylindres, tout simplement parce qu’il n’existait pas de tête 5 cylindres !)
Et bien d’autres encore.

Deux autres systèmes étaient disponibles sur le marché : le système Kugelfisher, apparu en 1961 (complètement mécanique et à injection discontinue) et le système Lucas apparu en 1960 (injection discontinue et alimenté par une pompe électrique).

L’injection K-Jetronic « Dépolluée »

Tech_injectionKJet_01.gif

Une variante du « K », le K-Jetronic « dépollué », recevait un calculateur, afin de pouvoir utiliser un système de dépollution constitué dune sonde lambda et d’un pot catalytique.
Le « K » était alors équipé d’une électrovanne agissant finement sur la pression d’alimentation (en amont de la pression d’injection) et pilotée par le calculateur (en fonction de l’information « riche ou pauvre » fournie par la sonde lambda). Ce dispositif n’a pas équipé les Golf GTI, mais on le retrouvait sur les Golf Cabriolet (moteur EN et JH) des marchés Helvétiques et Suédois, notamment.

Rôle

Le rôle du système K-Jetronic est de fournir (alimentation) la quantité d’essence nécessaire (dosage), en fonction de la quantité d’air aspirée par le moteur (mesure du débit d’air).
Le dosage de l’essence doit être fait de manière précise et répond à des lois physico-chimiques (là aussi, le but de la présentation n’est pas de démontrer comment se détermine la valeur du dosage idéal et théorique du carburant, par rapport à l’air, se calculant à partir de l’équation de combustion, mais sachez que le rendement de combustion théorique maximum est obtenu lorsque l’on mélange 1 gramme d’essence à 14,7 grammes d’air)

Principe

Plus le besoin en air du moteur sera important (dépend de la position du papillon des gaz et du régime moteur), plus il faudra apporter d’essence.

doc Bosch
doc Bosch

Pour cela, le système dispose d’un plateau-sonde (débitmètre) (1) permettant de connaître la quantité d’air aspirée par le moteur. Le bras de ce plateau-sonde (2) agit directement sur un « robinet » (piston de commande / Cylindre à fentes) (3) qui permet de doser proportionnellement la quantité de carburant injecté. Une vue en coupe réelle est publiée plus bas.

La quantité d’essence dosée est pulvérisée simultanément par l’ensemble des injecteurs, directement dans le conduit d’admission.

Bien que le système K-Jetronic soit constitué de beaucoup de pièces mécaniques, pour fonctionner, il à besoin d’énergie électrique pour faire fonctionner la pompe à carburant, composant indispensable, générant le débit d’essence en assumant la pression d’injection, mais aussi les systèmes annexes de démarrage à froid.
La pression d’injection est réalisée et régulée par régulateur de pression, situé dans le doseur distributeur.

Un mot sur le réservoir de carburant !

Celui-ci comporte 2 particularités.
– La première est d’être en surpression ; raison pour laquelle on entend un  » pschitt  » lors de l’ouverture du bouchon de réservoir. Cette surpression est normale et permet d’éviter le phénomène de vapor-lock au niveau de la pompe à carburant, lorsque celle-ci est très chaude.
– La deuxième est de comporter un pré-filtre (qui protège la pompe à carburant des grosses impurtées), à l’intérieur du bocal d’anti-déjaugeage : bloc noir, situé à l’intérieur du réservoir (accessible par la jauge à carburant : trappe ronde et noire, située sous la banquette arrière). Ce petit filtre cylindre peut être retiré (petit anneau) pour pouvoir être nettoyé et permet aussi l’inspection de l’intérieur du bocal d’anti-déjaugeage.

2. Composition du système

Le système K-Jetronic est constitué de 5 éléments indissociables :

– la pompe à carburant
– l’accumulateur de pression
– le filtre à carburant
– le doseur-distributeur (lié au débitmètre d’air et intégrant le régulateur de pression)
– le régulateur de pression
– les injecteurs

auxquels viennent s’ajouter des systèmes annexes, venant faciliter le démarrage et le fonctionnement du moteur à froid :

– l’injecteur de départ à froid
– le tiroir d’air additionnel
– le correcteur de réchauffage (appelé aussi régulateur de contre-pression)

Vue d’ensemble / Localisation

Tech_injectionKJet_03.jpg

1- Filtre à carburant 2- Doseur Distributeur 3- Débitmètre d’air
4- Injecteur de départ à froid 5- L’un des 4 injecteurs 6- Tiroir d’air additionnel
7- Thermocontact 8- Régulateur de réchauffage  

Schéma du système complet

doc Bosch
doc Bosch
1 Régulateur de mélange 1b Doseur distributeur de carburant 2 Réservoir
3 Pompe à carburant 4 Accumulateur de carburant 5 Filtre à carburant
6 Régulateur de pression 7 Injecteur 8 Vis de régime de ralenti
9 Relais de commande 10 Allumeur 11 Injecteur départ à froid
12 Tiroir d’air additionnel 13 Thermocontact temporisé 14 Correcteur de réchauffage

La pompe à carburant

C’est le premier composant du système K-Jetronic. Cette pompe est alimentée par la tension de la batterie et commandée par un relais.

doc Bosch
doc Bosch

– 1 Côté aspiration
– 2 Soupape de sécurité
– 3 Pompe multicellulaire à rouleaux
– 4 Induite du moteur
– 5 Clapet de non-retour
– 6 Côté refoulement

La pompe est de type volumétrique (générant un volume et non une vitesse !). Cette fonction à réalisée grâce à des petits rouleaux prisonniers entre le stator et un rotor qui comporte des créneaux dans lesquels se trouvent les fameux petits rouleaux. Ces rouleaux se trouvent plaqués contre le stator, lorsque la pompe tourne, réalisant ainsi une étanchéité dynamique.

Le débit de la pompe est de l’ordre de 40 litres par heures.
Le moteur électrique de la pompe, qui entraîne le rotor, est « plongé » dans l’essence; il n’y a aucun risque d’incendie puisqu’il n’y a pas d’air dans le circuit !

Si la capacité de cette pompe à générer un débit est importante, son aptitude à aspirer l’essence est très faible. C’est d’ailleurs pour cela qu’il n’y a qu’un petit pré-filtre (situé dans le réservoir et accessible par la jauge à essence), et qu’elle est située juste en sortie du réservoir, légèrement en dessous.
Par conséquence, elle est très exposée aux impuretés contenues dans le réservoir => si elle les aspire, le stator s’use très vite et du coup la pompe sera rapidement incapable d’assumer la pression et par conséquence le démarrage du moteur deviendra impossible . (voir dégâts)
C’est aussi pour cette raison qu’il faut bien nettoyer le passage de la roue arrière droite, et en particulier le dessus de la goulotte de remplissage d’essence des Golf GTI série 1, sinon la terre qui s’accumule dessus la fera rouiller et finira par tomber dans le réservoir. Résultat des courses, goulotte + réservoir + pompe à changer, au prix du neuf, c’est une « blague » qui revient à plus de 750 €, pose non comprise !

La pompe dispose d’un clapet anti-retour (5), afin de conserver une pression résiduelle, lorsque le moteur est arrêté, et ainsi éviter le phénomène de « vapor-lock » (formation de bulles de gaz dans le circuit, au niveau des injecteurs en particulier, qui empêche tout redémarrage à chaud). Ce clapet se situe juste en sortie de pompe.
Le relais de pompe se trouve sur le porte-fusibles/relais (sous le tableau de bord, côté conducteur).

Il commande la mise sous tension batterie de la pompe, à condition de recevoir un signal de commande du circuit d’allumage (primaire bobine), pour des raisons de sécurité : coupure de la pompe s’il n’y a plus d’allumage. Il commande aussi les résistances de réchauffage du tiroir d’air additionnel et du régulateur de contre-pression. Sur les GTI 1600, le relais reçoit le fusible de la pompe.

L’accumulateur de pression

c’est le deuxième composant du circuit de carburant.
De conception simple, il est constitué d’un corps, dune membrane et d’un gros ressort.

Il remplit deux fonctions.
D’abord, comme son nom l’indique, il sert à accumuler une pression (pression de retenue) dans le circuit de carburant, facilitant le démarrage à chaud, ainsi que de la maintenir pendant un certain temps, après l’arrêt du moteur, pour éviter le phénomène de « vapor-lock ».

Il sert aussi à amortir les vibrations et atténuer le bruit de fonctionnement venant de la pompe.
Il y a 2 capacités d’accumulateur 20 et 40cm3 est 4 références :

– 20 cm3 : 810 133 441 (monté jusqu’à mars 1980)
– 40 cm3 : 431 133 441 / 431 133 441 C (depuis mars 1980, avec pression de retenue augmentée)
– 20 cm3 : 447 133 441 (monté à partir de mars 1986, sur moteur DX Golf 2 uniquement)

Pour les valeurs de pressions de retenue, voir paragraphe 4.

Le filtre à carburant

Il est monté en amont des systèmes sensibles aux impuretés (en particulier le doseur-distributeur). Son sens doit être impérativement respecté, sinon l’élément filtrant en papier sera déchiré et ne remplira plus correctement sa fonction. Son remplacement doit être effectué tous les 30.000 kms.

Le doseur-distributeur

(lié au débitmètre d’air et intégrant le régulateur de pression)
c’est le « cœur » du système K-Jetronic. Là aussi, comme son nom l’indique, il a pour rôle de doser le carburant, en fonction de la quantité d’air aspirée par le moteur, puis de le distribuer aux injecteurs.

doc Bosch
doc Bosch

Le doseur-distributeur (1) est directement lié
au débitmètre.
En effet, le plateau sonde (4) commande
le piston (2) du doseur par l’intermédiaire
d’un levier (3).

La fonction de dosage est réalisée par un unique piston coulissant dans un cylindre, découvrant plus ou moins des fenêtres (quelques millimètres de hauteur sur 0,2 mm de large)

doc Bosch
doc Bosch
Le piston et un agrandissement
de la fenêtre de 0.2 mm de large.

Le carburant peut ainsi passer plus ou moins dans des chambres (le nombre de chambres correspond au nombre de cylindres).

doc Bosch
doc Bosch

Le doseur-distributeur renferme des régulateurs de pression différentielle (composés de petites chambres supérieures (5) et inférieures (6)) , alimentées en essence par le piston unique (3).

Le rôle de ces régulateurs est de maintenir une pression d’injection constante, quelque soit le débit (vers la chambre (5)) et la pression d’alimentation, avec une différence de pression entre les 2 chambres de 0,1b
Il y a autant de petites chambres, que d’injecteurs.

(1) : arrivée d’essence
(2) : vers l’injecteur (pression d’injection)
(3) : piston
(4) : membrane
(5) : chambre de pression différentielle supérieure
(6) : chambre de pression différentielle inférieure (pression d’alimentation)

La distribution du carburant, vers les injecteurs, se fait de manière continue.
Le doseur-distributeur intègre aussi le régulateur de pression, dont le rôle est de générer et réguler la pression de commande à 3,3 bar. Il doit aussi maintenir une pression résiduelle lors de l’arrêt du moteur.

Le régulateur de pressions

Le régulateur de pression est intégré dans le doseur-distributeur.
Sa première fonction est de maintenir la pression d’alimentation à une valeur constante d’environ 5 bar, quelque soit la phase de fonctionnement. Cette pression peut être réglée, si besoin, par le biais de cales d’épaisseur. Toutefois, une augmentation de la pression d’alimentation n’a pas d’impact sur la pression d’injection, grâce aux régulateurs de pression différentiels ; une diminution peu entraîner des ratées de combustion par manque de carburant, lors de fortes sollicitations (charge et régime moteur élevé).
Sa deuxième fonction vient en complément du clapet anti-retour de la pompe à carburant et donc de maintenir une pression résiduelle dans le circuit, lors d’arrêt du moteur.
Enfin, c’est par lui que passe le carburant pour revenir au réservoir (circuit de retour).

Tech_injectionKJet_09.gif

a) Régulateur, moteur à l’arrêt
b) Régulateur en fonctionnement

1- Pression d’alimentation
2- Retour vers le réservoir de carburant
3- Piston du régulateur
4- Clapet de fermeture du circuit de contre-pression (commande)
5- Arrivée du circuit de contre-pression (commande)

Les injecteurs

Il y en a un par cylindre et sont disposés dans les tubulures d’admission, juste en amont des soupapes d’admission.

doc Bosch
doc Bosch

1- Soupape d’admission
2- Chambre de combustion
3- Injecteur
4- Collecteur d’admission
5- Porte injecteur (isolant thermique)

Leur rôle est de pulvériser, en continu, le carburant, afin de pouvoir réaliser un mélange qui sera aspiré par les cylindres.
Ils s’ouvrent sous l’action de la pression du carburant (3,3 bar).

Chaque injecteur (1) est constitué d’un clapet (3) qui a deux rôles. Le premier est de fermer l’injecteur lors de la coupure du moteur, par la baisse de la pression de carburant.
Le deuxième est de favoriser la pulvérisation du carburant pendant le fonctionnement (la fréquence d’ouverture et fermeture du clapet est alors de 1500 fois par seconde !).
Chaque injecteur est maintenu, sur la tubulure d’admission, par un petit joint torique, auquel il faut faire attention, puisqu’il peut occasionner une prise d’air s’il est craquelé.
Ils sont équipés d’un petit filtre (2), évitant à d’éventuelles impuretés d’endommager le clapet et sa portée (fuites).

doc Bosch
doc Bosch
a : position de repos, b : position de service

L’injecteur de départ à froid / thermocontacteur temporisé

Situé en bout de la tubulure d’admission, au niveau de la boite à air (appelé aussi réservoir-collecteur), l’injecteur de départ à froid pulvérise l’essence dans l’admission, uniquement durant la phase de lancement du moteur et pendant un temps limité.
La durée de fonctionnement est liée à la température de l’eau du moteur : si celle si est supérieure à 35°C, l’injecteur ne sera pas alimenté, alors qu’elle peut aller jusqu’à 8 secondes à -20°C.

Tech_injectionKJet_12.gif

Contrairement aux injecteurs principaux, celui-ci est électromagnétique; il s’ouvrira donc, quelque soit la pression du carburant.

Comme les injecteurs principaux, il est équipé d’un petit filtre, évitant à d’éventuelles impuretés d’endommager l’aiguille et sa porté (fuites).

Il est commandé (mise à la masse) par un thermocontacteur-temporisé qui est vissé sur la partie en aluminium du conduit d’eau situé entre la culasse et le radiateur. Ce thermocontacteur est constitué d’un bilame qui est réchauffé par l’eau du moteur dune part et par une résistance chauffante d’autre part (qui sert à limiter la durée d’alimentation : temporisation).

L’injecteur de départ à froid, ainsi que la résistance chauffante du thermocontacteur-temporisé, sont alimentés en +12V par le contacteur à clé (neiman).

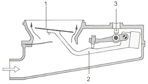
Le tiroir d’air additionnel

Il est implanté juste derrière la tubulure d’admission. Son rôle est d’amener une quantité d’air supplémentaire au moteur, prise avant le papillon des gaz, mais après le débitmètre d’air (plateau-sonde) afin que le régime de ralenti à froid ne baisse pas (les frottements étant plus importants).

Tech_injectionKJet_14.jpg

Il est constitué d’un volet, dont la fermeture est commandé par un bilame qui est réchauffé par une résistance chauffante, elle-même alimentée par le relais de pompe à essence

Le correcteur de réchauffage

Tech_injectionKJet_15.jpg

Appelé aussi régulateur de contre-pression ou régulateur de réchauffage, c’est, d’apparence, un petit boîtier en aluminium, fixé sur le bloc moteur entre le filtre à huile et la jauge à huile, auquel sont raccordés deux conduits du circuit de carburant.

Son rôle est de faire baisser la contre-pression (3,7bar à 0,5bar) qui s’exerce sur la tête du piston du doseur-distributeur, afin que celui-ci puisse être déplacé plus par le bras du plateau sonde (enrichissement : apport supplémentaire d’essence), lors de la phase de montée en température du moteur.

A l’instar du tiroir d’air additionnel, c’est un bilame chauffé par une résistance chauffante (commandée par le relais de pompe), puis par la chaleur du moteur, qui va fermer un clapet et donc faire remonter la contre-pression à se valeur normale (arrêt de la fonction d’enrichissement).
c’est lui qui est garant d’un bon fonctionnement du moteur, lors de la phase de monté en température de ce dernier.

3. Séquences de fonctionnement

Voici deux séquences possibles :

– Température moteur : 20°C (temporisation du thermocontact est de 2 secondes)

• Le moteur démarre en 3 secondes, puis arrêté à 8 secondes. L’IDF se ferme dès que le thermocontact ne commande plus la masse.

Tech_injectionKJet_16.gif

– Température moteur : -20°C (Temporisation du thermocontact est de 8 secondes)
• Le moteur démarre en 4 secondes, l’IDF s’arrête par le retour de la clé de contact à la position 1.

Tech_injectionKJet_17.gif

* : Ici, arrêt à 8 sec, mais, cela peut être plus long, le temps que le moteur atteigne 35°C.

4. Circuit de carburant (pressions de service)

A froid :

Tech_injectionKJet_18.gif

Pressions de retenue :

  Avec accumulateur 810 133 411 – 20cm3 (monté jusqu’à mars 1980) Avec accumulateur 431 133 441 – 40cm3 Avec accumulateur 431 133 441 C – 40cm3 [[monté à partir de mars 1980, y compris sur Golf 2 moteur 8 et 16 soupapes]] Avec accumulateur 447 133 441 – 20cm3 [[monté à partir de mars 1986 sur moteur DX Golf 2 uniquement]]
Pression de retenue nominale 2,4b 2,4b 3b (incompatible avec injecteurs antérieur à 08-1978) 3b
Après 10mn Mini 1,8b Mini 1,8b Mini 2,6b Mini 3,3b
Après 20mn Mini 1,6b Mini 1,6b Mini 2,4b

Pression de commande

  EG jusqu’à septembre 1979 EG à partir d’octobre 1979 DX
20°C 1,3b à 1,7b 1,1b à 1,5b 1,0b à 1,4b
25°C 1,2b à 2,0b 1,3b à 1,8b 1,2b à 1,7b
30°C 1,7b à 2,2b 1,6b à 2,0b 1,3b à 1,9b

A chaud

Tech_injectionKJet_19.gif

Pression de commande

  EG après 1mn20 à 2mn30 DX après 2mn30 à 5mn
Moteur chaud 3,4b à 3,8b 3,4b à 3,8b

Pression d’alimentation

EG jusqu’à juillet 1979 EG à partir d’aout 1979 et DX jusqu’à février 1986 DX à partir de mars 1986
4,5b à 5,2b 4,7b à 5,4b 5,2b à 5,9b

– La pression d’alimentation peut être réglée (au niveau du régulateur de pression  » 6 « ), au moyen de rondelles : épaisseur de 0,5mm correspond à 0,3b.

– Modifier la pression d’alimentation n’a aucun impacte sur la pression d’injection, grâce aux régulateurs de pression différentielles que comporte le doseur-distributeur.

Pression d’injection

– Injecteur filet M12 x 1,5 : 3,5b à 4,1b
– Injecteur filet M10 x 1 : 4,0b à 4,6b

Ecart de débit des injecteurs

– au ralenti : 3,0ml maxi , pour 20ml injecté
– en pleine charge : 8,0ml maxi, pour 80ml injecté

En plus

– jusqu’au 08-1978, la pression d’ouverture des injecteurs était de 2,8 bars
– à partir du 09-1978, la pression d’ouverture des injecteurs est de 3,5 bars

5. Circuits électriques

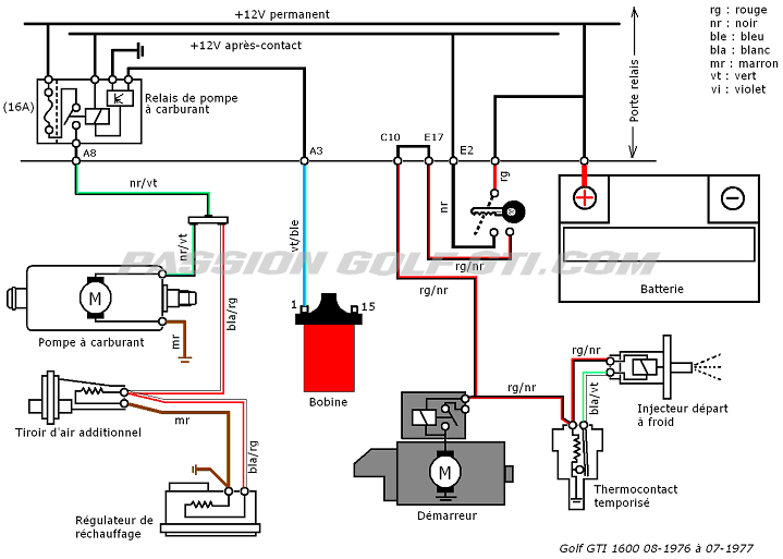
Golf GTI de août 1976 à juillet 1977 - Cliquez pour agrandir
Golf GTI de août 1976 à juillet 1977 – Cliquez pour agrandir
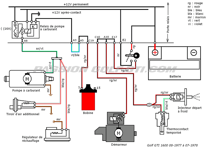
Golf GTI de août 1977 à juillet 1978 - Cliquez pour agrandir
Golf GTI de août 1977 à juillet 1978 – Cliquez pour agrandir
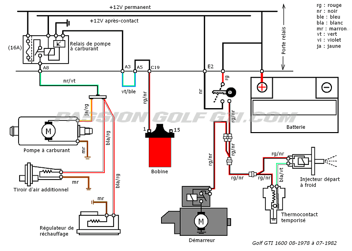
Golf GTI de août 1978 à juillet 1982 - Cliquez pour agrandir
Golf GTI de août 1978 à juillet 1982 – Cliquez pour agrandir
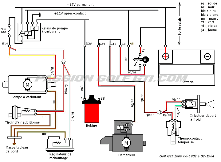
Golf GTI à partir de août 1982 - Cliquez pour agrandir
Golf GTI à partir de août 1982 – Cliquez pour agrandir

6. Tableau de recherche de panne

Tableau de recherche de panne - Cliquez pour agrandir
Tableau de recherche de panne – Cliquez pour agrandir

Ce tableau ne traite QUE du système d’injection. Lors du diagnostic d’une panne, il faut déjà bien s’assurer que les autres systèmes du moteur fonctionnent correctement, tels que les systèmes d’allumage ou de démarrage ou d’alimentation électrique.

Retour en haut