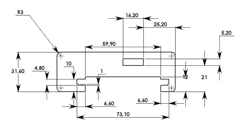
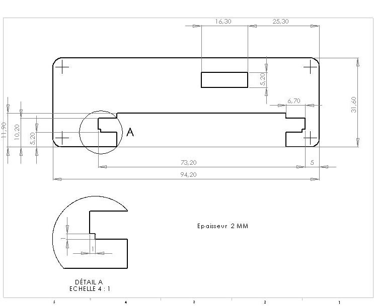
Avec l’usure, certaines pièces de tringlerie de boite de Golf 2 nécessitent d’être remplacées. Le souci, après remontage, est de régler la tringlerie afin que les vitesses passent correctement.
Il existe un outil VW (ref VW 31 04) existant, mais difficile à trouver. La solution ? Se fabriquer soi-même son gabarit de réglage.
Plusieurs personnes sur le forum se sont penchées sur le souci. Remercions entre autre « Ces », « Coincoingreg », « Beniman » et « Stéphane L » pour leur contribution.
Voici plusieurs schémas pour vous aider à construire votre gabarit.






