Une vue d’ensemble du moteur

La distribution
Avec :
– La courroie crantée
– Le galet tendeur
– Les carters de protection
– La poulie de vilebrequin
– Le pignon de courroie crantée (ou de vilebrequin)
– Le pignon d’arbre intermédiaire
– La poulie de pompe à eau (non repérée sur le schéma)
– La courroier trapézoïdale

L’équipage mobile
Ici nous retrouvons :
– Le vilebrequin
– Les demi coussinets
– Les chapeaux de paliers

– Les pistons
– Les segments
– Les axes de pistons
– Les segments d’arrêt
– Les bielles

L’embrayage
Avec :
– Le volant moteur
– Le disque d’embrayage
– Le plateau de pression

La culasse
Avec :
– La culasse (évidemment !)
– Le collecteur d’admission
– L’arbre à cames
– La poulie d’arbre à cames
– Le joint de culasse
– Le cache arbre à cames

– Les chapeaux de paliers
– L’arbre à cames
– Les rondelles de réglage ou pastilles
– Les poussoirs
– Les ressorts de soupape intérieurs et extérieurs
– Les coupelles inférieures et extérieures
– Les guides de soupape
– Les joints de la tige de soupape
– Les soupapes d’ admission et d’ échappement

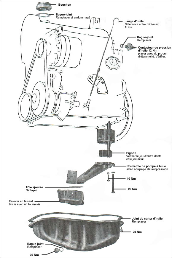
Le système de graissage
Ici :
– La pompe à huile
– Le couvercle de pompe à huile
– Le carter
– La jauge
– Le contacteur de pression (basse pression 0.15/0.45 bar)

Ici :
– Le corps de filtre à huile
– Le radiateur d’huile
– Le ressort de pression
– Le régulateur de température d’huile
– Le transmetteur de l’indicateur de température d’ huile
– La conduite de retour d’huile
– La conduite de pression d’huile

Le système de refroidissement
Ici est présenté le modèle avec vase d’expansion intégré au radiateur
– Le radiateur
– Le ventilateur
– Le thermo contacteur
– La buse

Le système d’injection
Ici :
– Le registre d’air additionnel
– La soupape ou injecteur (idf) de départ à froid
– L’injecteur
– Le thermo contacteur temporisé
– Le boîtier papillon
– Le régulateur de réchauffement
– La vis de réglage du ralenti

Ici :
– Le doseur distributeur,
– Le piston de commande
– Le débitmètre d’air (avec le plateau sonde et vis de réglage richesse)

Ici le circuit de dépression avec :
– Le registre d’air additionnel
– La pompe à jet aspirant
– Les 2 soupapes antiretour
– Le boîtier du filtre à air
